コンデンサーの貯水槽モデル(試論)
コンデンサーの貯水槽モデルは,並列つなぎは水槽の水平連結を考えればよく簡単だが,直列つなぎのモデルに難がある。コンデンサーのつなぎかえ問題における貯水槽モデルの活用試論。
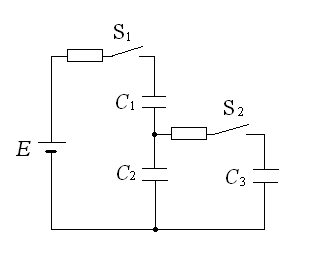
【問題】
下図において,

とする。はじめ,極板の電荷はすべて0であったとして,次の操作を連続して行った後の各コンデンサにたくわえられている電気量を求めよ。ただし,有効数字は考慮しなくてよい。
(1)

を閉じて十分時間がたった後に開き,

を閉じて十分時間がたった後に開く。
(2) (1)の操作を繰り返す。
(3) (1)の操作を限りなく繰り返す。
【解答】
(1) 求める電気量

として,
(2)

を入れた後の

の電気量を

として,電気量保存および電圧の関係から

を入れた後の電気量を

として,
(3) 繰り返すごとに

の電位差は限りなく縮まっていくから,結果的に

を同時に入れた後の電気量に限りなく近づく。求める電気量を

として,
最終更新:2010年02月03日 22:38